销售热线:400-099-8859 技术热线:13971234137
运行变电站改扩建线路投运前由于难以进行倒负荷操作,在接入母差保护时难以确认其向量是否正确,如果向量错误将直接导致母差动作,后果非常严重。国网公司 Q/GDW 12690-2025 《负荷模拟式继电保护向量检查试验导则》明确提出改扩建线路接入母差保护向量检查方法。
涉及母线保护向量检查 时采用母差轮停的方式 , 在停用的母线保护选取合适电流支路作为基准,在母线保护端子排短接该支路的电流,此时母线保护的一次差流即为该支路的一次电流。在新建间隔注入与该支路幅值相位相同的一次电流,检查母线保护的差流为 0 ;注入与该支路幅值相位相反的一次电流,此时母线保护的一次差流为该支路一次电流的 2 倍。上述方法为支路替代法,满足上述条件则检查正确。试验完毕后做好相应安全措施并恢复该母线保护,以同样方式进行另外一套母线保护检查。
下面介绍使用 HTA-3300 三相数字式智能大电流源,采用系统电压为基准同步的方法,进行改扩建线路接入母差保护向量检查。

△ HTA-3300 三相数字式智能大电流源
某 220kV 变电站为 GIS 一次结构,新扩建 2214 间隔,已完成站内所有调试,送电前状态满足模拟负荷继电保护试验条件。
1
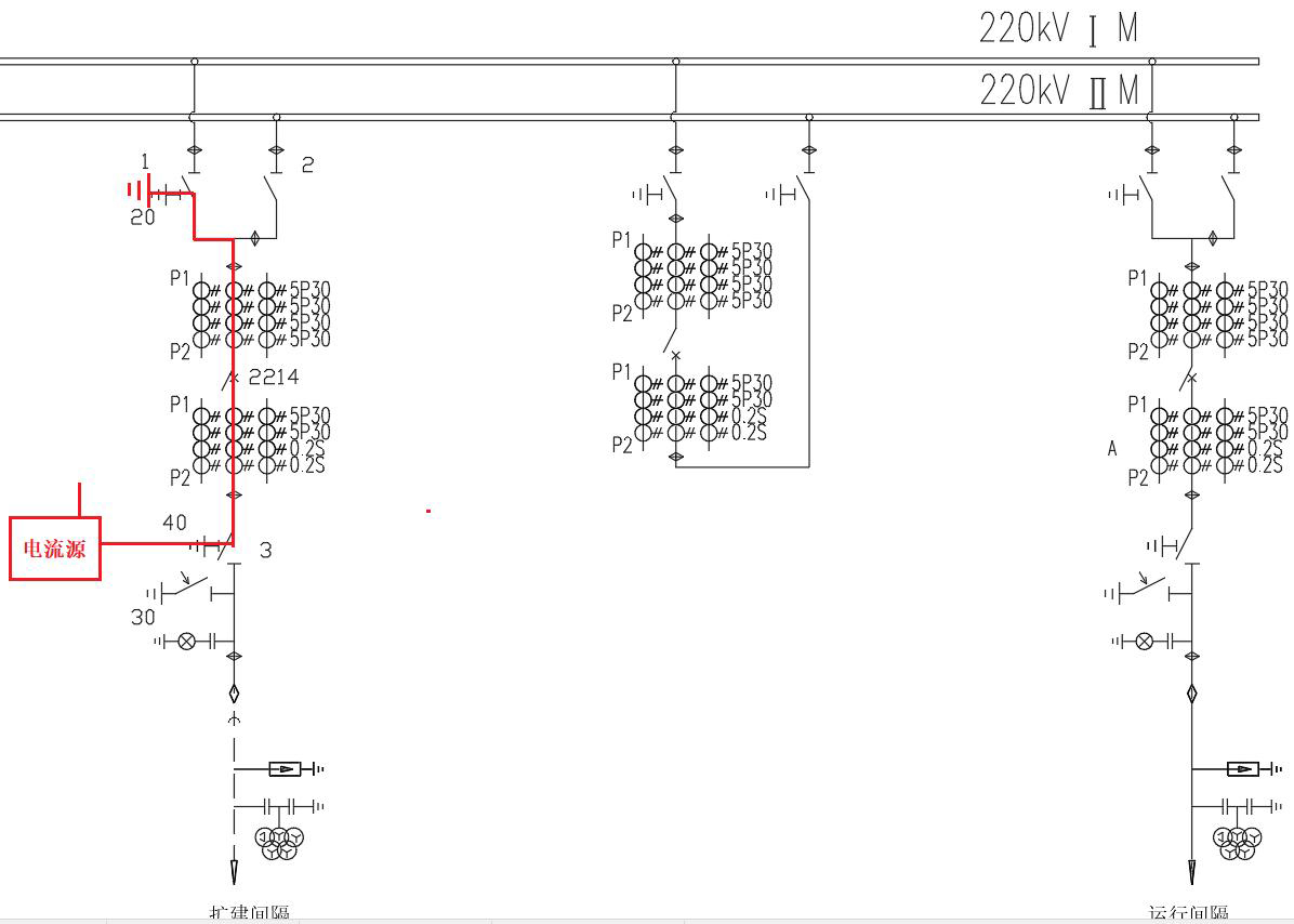
试验接线
由于母线运行,此处不能用多间隔串行通流方式,只能单间隔通流。电流源 ABC三相从扩建线路221440地刀注流,(过CT)经2214开关、221420地刀入地,电流源N相接地形成电流回路。电流源同时采用母线电压互感器端子箱运行系统电压A相(可采用计量PTA相绕组)为基准,同步输出三相一次电流(此一次电流应参考短接基准支路的大小和潮流方向),在线路保护装置、接入轮停母线保护查看采样幅值、相位及差流,以此来判断线路后备保护及接入母差保护向量是否正确。

2
试验方法
具体作业流程:
①许可工作票,执行二次安全措施。
②操作检查 改扩建 2214 间隔开关刀闸位置状态见下表:
|
序号 |
开关刀闸 |
位置状态 |
确认 |
|
1 |
开关: 2 214 |
合位 |
|
|
2 |
隔离刀闸: 2 2141/22142/22143 |
分 位 |
|
|
3 |
接地刀闸: 2 2142 0/2 2143 0/2 2144 0 |
合位 |
|
|
4 |
其他未明确断路器、接地刀闸、隔离刀闸 |
分位 |
|
③拆开2 214 40接地刀闸的接地铜排作为注流点(流入开关方向),选择2 2142 0接地刀闸作为电流入地点 , 测试仪 N相接地。
④保护装置电压取 母线 PT, 在线路保护装置屏后通过短接母线刀闸位置( 22141刀闸)接点将母线电压引入到线路保护 ,确保 线路 保护装置有二次电压,电流采样有基准。
⑤再次确认CT端子箱中试验各绕组CT未开路,流入未停运的B套母差保护电流已短接,并划开。
⑥选择一条负荷小的线路(运行间隔)作为基准支路,在停运的A套母差保护屏柜后进行短接,并把划片划开,保证该支路电流不流入A套母差,在A套母差保护装置中查看采样,应有差流,测量并计算出该支路的一次电流幅值及潮流方向。在母差模拟盘上将运行支路刀闸强制与基准支路一条母线上。
⑦在母线PT端子箱中将计量回路A相电压接入电流源外部电压检测口,以此电压为基准控制电流源同步输出。
⑧ 完成以上操作后可先在电流源上输出小电流检查回路是否正确,然后 以系统电压 A相为基准,在电流源输出与基准支路一样的电流幅值及相位,在两套线路保护装置及停运的A套母线保护装置上查 看采样并分析试验数据,得出试验结论。
⑨ 完成试验后,验电无电后拆除试验线,按照二次安全措施恢复开关刀闸状态。
⑩以同样的方法进行扩建线路接入B套母差保护向量检查试验。
3
试验结果
完成所有试验准备工作时测量短接的运行基准支路的二次电流幅值及潮流方向为 A 相 0.13A ∠ 28 °, B 相 0.14A ∠ 268 °, C 相 0.12A ∠ 148 °,试验支路与基准支路的变比都为 2000/1 ,计算电流源上施加三相一次电流为 A 相 26A ∠ 208 °, B 相 26A ∠ 88 °, C 相 26A ∠ 328 °。
短接作为基准支路的运行间隔前,母差保护上大差为 0 ,短接后查看三相差流为 0.25A 。确认好之后迅速按照计算值输出三相一次电流,此时查看母差保护上差流为 0 。完成后将施加的三相一次电流相位反 180 °,即为 A 相 26A ∠ 28 °, B 相 26A ∠ 268 °, C 相 26A ∠ 148 °,运行后查看母差保护上三相差流为 0.25A 。由此判断扩建支路接入母差保护中向量极性正确。

△ 短接基准支路后差流

△ 施加与基准支路一致的差流

△ 施加与基准支路相反的差流
Copyright © 2018 武汉市豪迈电力自动化技术有限责任公司 All rights Reserved.
备案号:鄂ICP备05010718号-1